Regolatore con amplificatore di errore
Gli stadi stabilizzatori fin qui analizzati non consentono di modificare il valore della tensione Vo di uscita. Per questo motivo, ma soprattutto per ottenere una più elevata stabilità di funzionamento e flessibilità d’uso, si ricorre a circuiti appena più complessi di cui la figura mostra un esempio. Qui, rispetto ai circuiti precedenti, si nota la presenza di un potenziometro Rp necessario per variare la tensione di uscita, e di un amplificatore in continua che fa da amplificatore di errore (AE) eseguendo istantaneamente la differenza (mV0 – Vr), dove Vr é la tensione di riferimento e mVo é la tensione fra il cursore del potenziometro RP e massa.
II segnale presente in uscita dall’operazionale va quindi a pilotare il BJT in serie la cui conduzione diminuisce o aumenta (in pratica aumenta o diminuisce la c. d. t.
VCE) in modo da riportare la Vo al valore prefissato dal potenziometro.
L’ampIificatorc di errore può essere semplicemente realizzato introducendo nel canale di reazione il BJT Q2. Agendo sulle resistenze R1 e R2 si può variare la tensione Vo di uscita.
Stadio stabilizzatore di tensione in grado di fomire la corrente di 1 A alla tensione Vo costante di 12 V.
Stadio stabilizzatore con tensione Vo di uscita variabile da 0 a 14 V per una corrente di carico di 300 mA.
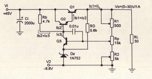
Stabilizzatore di tensione di cui all’esempio con tensione Vo di uscita variabile da 0 V a 30 V per Ia corrcnte di 1 A. ll condensatore da 0,01 pF evita l’insorgere di oscillazioni. Q3 si può usare BJT BC109 Q1 BJT ECG2586 Q2 BJT 2n1893
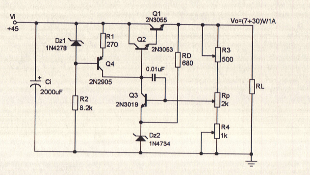
Stabilizzatore di tensione con preregolatore dimensionato nell’esempio la tensione Vo di uscita é variabile da 7 V a 30 V per una corrente massima di carico di 1 A.
La protezione dello stadio stabilizzatore
Nei regolatori di tipo serie si presenta la necessità di limitare in qualche modo la corrente erogata quando, per motivi accidentali, si manifesta un sovraccarico in uscita. ln questo caso la corrente richiamata può assumere un valore sufficientemente elevato da portare il BJT in serie a rapida distruzione.
Ricorrere al classico fusibile, può se ancora utilizzato (in particolare sul primario del trasformatore di alimentazione), non costituisce una soluzione ideale.
Infatti, poiché la costante termica dei BJT é minore della costante termica del fulsibile il BJT andrebbe fuori uso prima dell’intervento del fusibile. In altre parole sarebbe il BJT a proteggere il fusibile e non viceversa. E pertanto necessario ricorrere a sistemi di protezione di tipo elettronico che sono gli unici a poter garantire un tempo di intervento adeguato e a consentire allo stadio stabilizzatore di riprendere le sue normali condizioni di funzionamento una volta eliminato il sovraccarico.
E anche intuitivo che il circuito di protezione debba interferire in minima misura sulle proprietà del regolatore, si potrebbe, per esempio, disporre in serie al BJT una resistenza limitatrice che in caso di cortocircuito dei terminali di uscita costituirebbe in ogni caso per lo stesso BJT un carico protettivo. Ma, a parte la notevole dissipazione, il valore elevato che sarebbe necessario attribuire a questa resistenza condurrebbe ad un degrado delle caratteristiche dello stadio.
Per tutti questi motivi é pertanto necessario ricorrere a circuiti di protezione elettronici che sono o a limitazione di corrente o di tipo foldback. Protezione a Iimitazione di corrente un circuito a cui si fa spesso ricorso é riponato entro il tratteggio nello stadio stabilizzatore di cui alla figura.
ll circuito in tratteggio fomisce allo sladio stabilizzalore una protezione dal sovraccarico di tipo a limitazione di corrente.
La curva espone l’ndamento della corrente in uscita nello stabilizzatore di cui alla figura all’intervento della protezione.
Curva carattaristica della proteziona in foldback. Quando la tansiona Vo di uscita va a zero la corrente si porta al valorr Icc << Ilmax.
Total Page Visits: 378 - Today Page Visits: 1








